A number of add-ons were available for the MK14:
A simple add-on circuit enables the storing and retrieval of code to cassette, made easier with SCIOIS Version 2 which includes the necessary routines.
Version 1 PCB [10]


and here is the manual which includes the schematic:
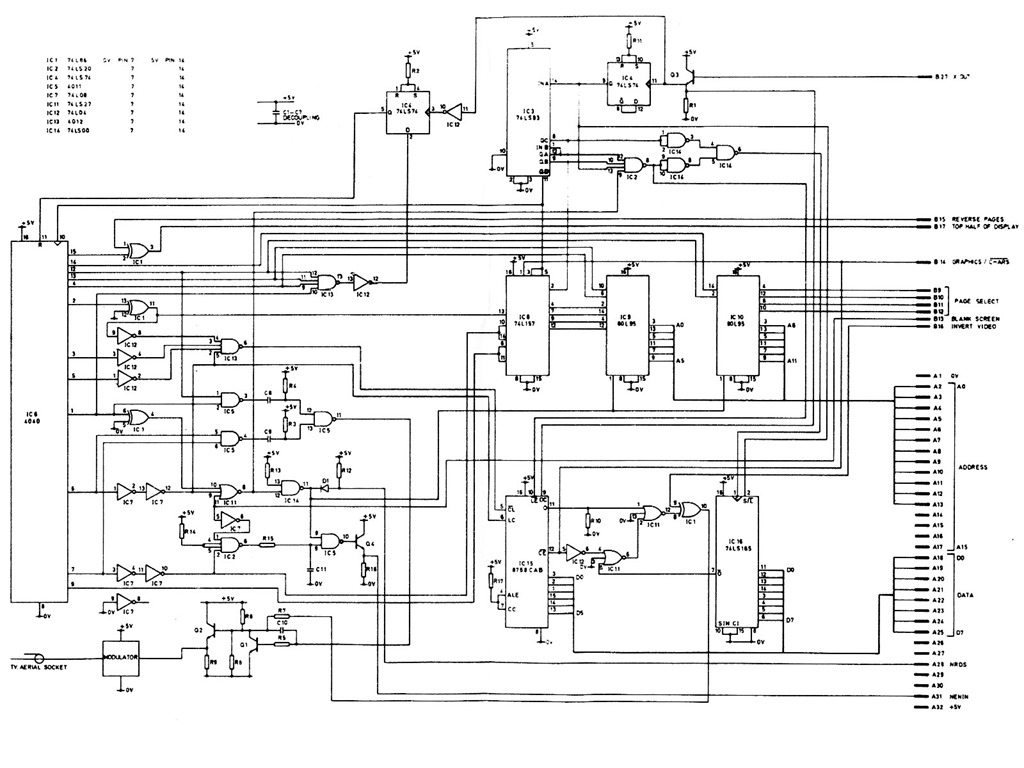
It was possible to add a VDU to the MK14 though this required wiring of the data and address bus to the unused underside of the rear connector for its attachment.

Again this came as a kit [8]:

There was also an add-on 'PROM Blower' which allowed programming of the 74S571 PROMs used on the MK14 (and Acorn System 1).

and here is the manual which includes the schematic:
Its interesting to note the similarities between the circuits of the MK14 PROM Blower and the Acorn PROM Programmer.